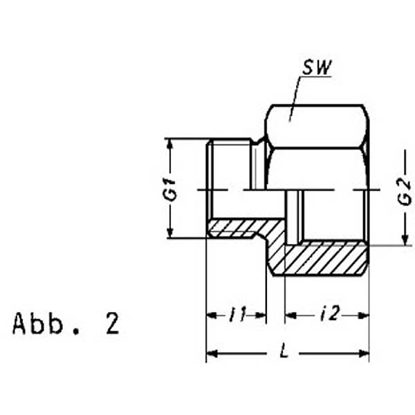
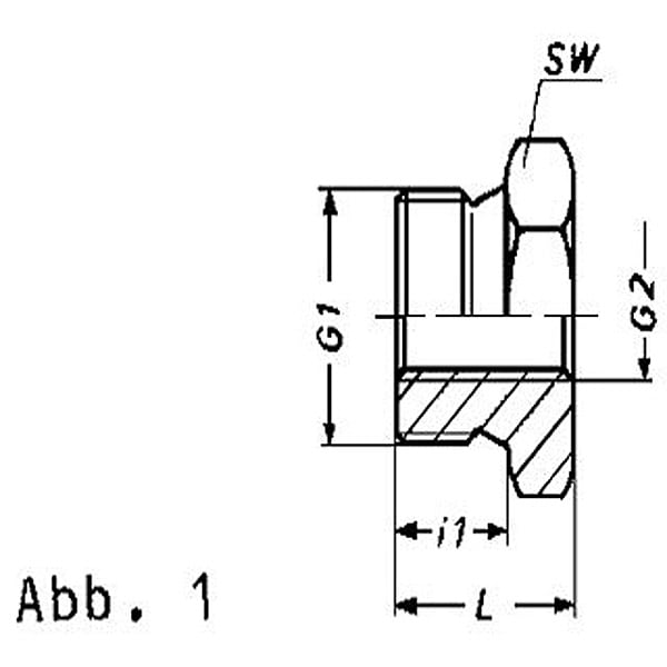
Reduzierstücke

Kurzinfos

Artikel

Spezifikationen

  • % SALE % Nein

Datenblatt und Downloads